Thông số kĩ thuật của Ray âm nhấn mở EPC EVO mở toàn phần 550mm Hafele 433.32.176
- Chất liệu: Thép
- Hoàn thiện: mạ kẽm
- Tải trọng: 30kg
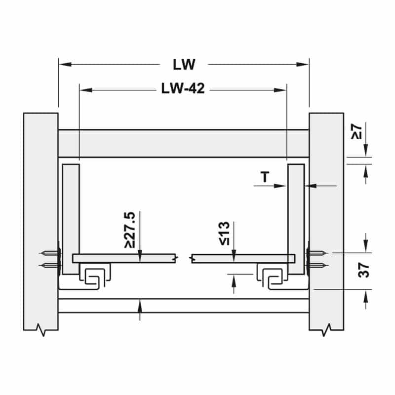
- Chiều dài ray: 550mm
- Chiều dài ngăn kéo: 540mm
- Chiều dài hộc tủ: 555mm
- 60,000 lần đóng mở, theo tiêu chuẩn DIN EN 15338 Grade 2
- Chức năng đóng mở đồng bộ và tích hợp giảm chấn
- Điều chỉnh 3 chiều (lên/xuống 1.5mm, trái/phải 1.0mm, trước/sau ±1.5mm)
- Dễ dàng tháo lắp thông qua bas ray trượt
- Trọn bộ gồm: 1 cặp ray trượt và 1 cặp bas.
- Đóng gói: 1 bộ












Đánh giá
Chưa có đánh giá nào.